GN 707.4-ST
GN 707.4
Coliere de prindere secționate
78711-R,20
78710-R,10
78712-R,50
GN 300-30-B5-SW,60
GN 612-5-M12x1,5-A,40
DIN 172-B10,5-20-A,50
ISO 8675-M8x1-04-BT,10
Colier pentru ax
Șurub cu locaș hexagonal ISO 4762
Oțel inoxidabil AISI 304
Blocare filet
Acoperire cu strat de poliamidă (PFB)
Albastru
Mânere ajustabile
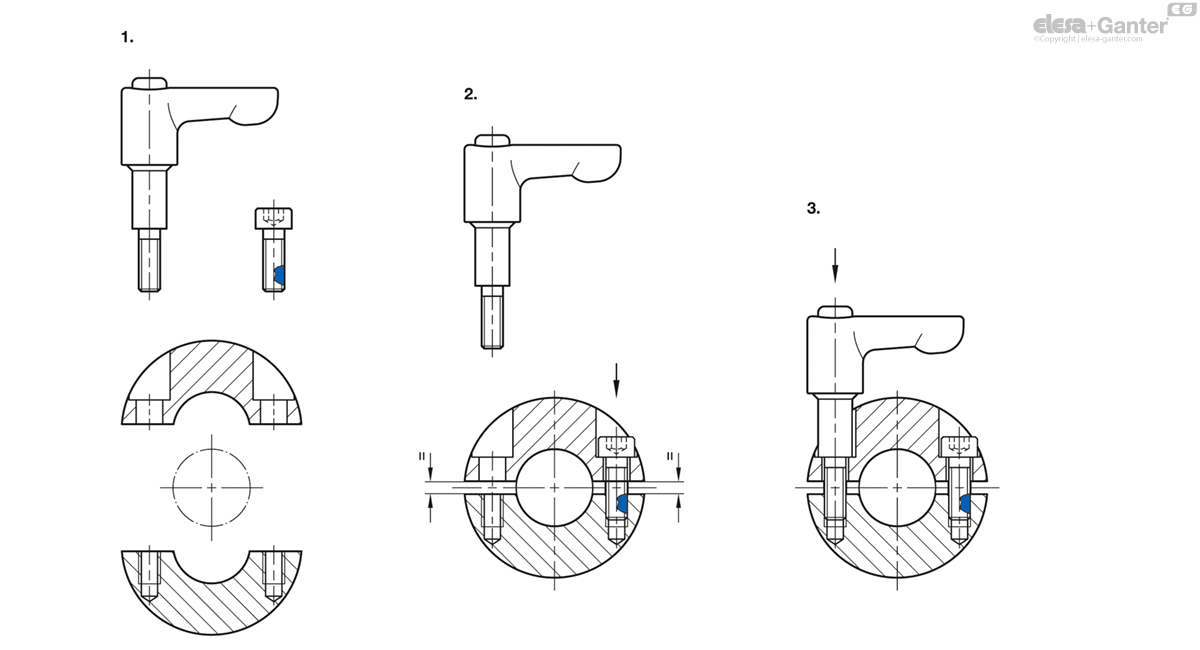
Colierele de prindere secționate GN 707.4 sunt utilizate atunci când montajul axial nu este posibil. Acestea pot fi fixate ușor și rapid fără unelte, reducând înălțimea canalului cu ajutorul unui mâner ajustabil. De exemplu, acest lucru le permite să fie utilizate ca un opritor care trebuie reglat frecvent.
Blocarea filetului șurubului cu locaș hexagonal furnizat asigură faptul că înălțimea setată a canalului în timpul instalării este reținută chiar și atunci când este eliberat mânerul de strângere.
Dimensiunile colierelor de prindere secționate corespund colierelor de prindere semi-secționate GN 706.2/GN 706.4. Filetul d3 pentru dimensiunile d1 = 16 la 36 este proiectat ca o gaură de trecere; pentru dimensiunile d1 = 42 și mai mari, este proiectat ca o gaură înfundată.
Solicitarea dvs. a fost trimisă și va primi răspuns cât mai repede posibil.