GN 2410
Glisiere liniare telescopice
cu extensie totală, configurație duală
cu extensie totală, configurație duală
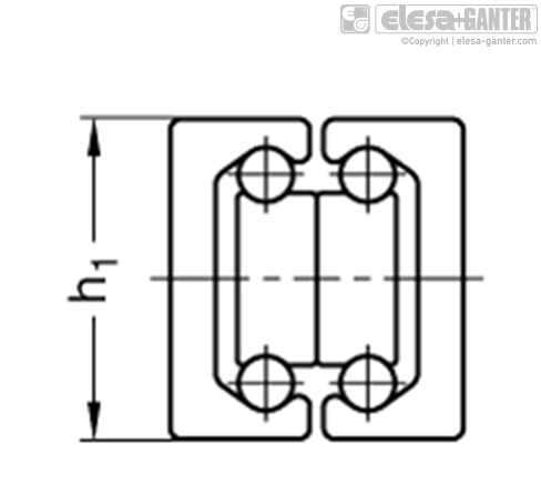
Șină / Ghidaj
Oțel tratabil termic
- zincat, pasivat albastru
- Căi de rulare consolidate
Bile
Lagăr anti-fricțiune din oțel, întărit
Colivie cu bile
Oțel, zincat
Cuplare pe șine
Șurub din oțel zincat
Glisierele liniare telescopice GN 2410 cuprind două șine cu bile pentru glisiere liniare, cuplate pe ghidaje. Acestea sunt utilizate, de exemplu, la manipularea materialelor sau aplicații automatizate, ori în execuții de montaje, pentru realizarea mișcării de glisare în direcție liniară, când sunt prevăzute extensii mari pe structuri de înălțime mică a șinei.
Configurația dublă are avantajul că ambele capacități de încărcare radială și axială sunt identice. În același timp, modelul s-a dovedit mai puțin expus la murdărie în uzul practic.
Șinele și ghidajul au lungimi egale. Ambele ghidaje pot fi extinse, astfel încât să se ajungă la o extensie care este mai lungă decât lungimea de bază a șinei l1. Îndepărtarea șuruburilor de susținere de pe șine permite o extensie a șinelor la ambele capete.
Elementele externe trebuie să limiteze distanța maximă de glisare; suporturile șinei au fost concepute pentru a proteja împotriva extragerii involuntare a ghidajului de pe șină.
- alte lungimi (bazate pe parametri grilei cu lungimi standard de 80 mm)
- Lungimi speciale (gaură, distanțe de început și sfârșit)
Structura
Toate glisierele liniare au o șină externă cu un ghidaj mobil în interior. Lagărele anti-fricțiune, menținute la distanță și fixate în poziție cu ajutorul coliviei cu bile, sunt amplasate între șină și ghidaj. Șina și ghidajul sunt fabricate din oțel tratat termic, facilitând utilizarea acestora în mediile industriale cu cerințe mari privind sarcina nominală, funcționarea silențioasă și durata lungă de exploatare.
Toate modelele se găsesc în dimensiuni nominale h1 = 28, 35 și 43 mm pentru șine și pot fi distribuite cu lungimi standard între 130 mm și 1970 mm, adecvate cerințelor individuale.
Glisierele liniare sunt, de regulă, reglate astfel încât să se creeze o potrivire (de exemplu, pretensionate moderat) fără joc între șină și ghidaj. Căile de rulare ale șinelor și ghidajelor sunt călite prin inducție care, combinată cu rulmenți anti-fricțiune, duce la o uzură mai mică și durată mai mare de viață. Glisierele liniare sunt lubrifiate în permanență cu ulei special de înaltă calitate destinat sistemelor de șine pentru glisiere liniare.
În funcție de cerințe, este disponibilă o gamă largă de tipuri diferite. Distanțele de glisare ale ghidajelor se află în interior, parțial exterior sau complet exterior pe lungimea șinelor. Glisierele liniare telescopice complet extensibile sunt alcătuite din glisiere liniare interconectate pe șine, ghidaje, în mod direct sau cu ajutorul unui profil intermediar.
Pentru montajul glisierelor liniare, sunt disponibile adâncituri pe șine și, în funcție de tipul structurii, găuri filetate sau pentru cap înecat pe ghidaje. Stilul compact este, de obicei, favorabil pentru utilizarea în spații restrânse.
Tipuri
Glisiere liniare telescopice, configurație dublă, cu extensie totală.
Exemple de asamblare
Sarcina nominală a glisierelor liniare telescopice
în ordine crescătoare a numerelor standard
La selectarea unei glisiere liniare adecvate, se va lua în considerare mai ales spațiul disponibil, cursa vizată și sarcina transportată. Valorile enumerate mai jos sunt prevăzute ca puncte de reper pentru selectarea celei mai potrivite dimensiuni nominale a șinei.
Informațiile despre sarcina nominală sunt valori de reper facultative, prezentate fără obligații și nu constituie nici un fel de asigurare sau garanție pentru utilizarea prevăzută. Utilizatorul trebuie să stabilească pentru fiecare caz în parte dacă produsul este compatibil cu scopul prevăzut. Factorii de mediu și îmbătrânirea pot afecta valorile specificate.
| Descriere | Sarcini nominale |
| - | Co rad în N |
| GN 2410-28-210 | 444 |
| GN 2410-28-370 | 496 |
| GN 2410-28-450 | 405 |
| GN 2410-28-530 | 342 |
| GN 2410-35-370 | 534 |
| GN 2410-35-450 | 439 |
| GN 2410-35-530 | 403 |
| GN 2410-35-610 | 346 |
| GN 2410-43-450 | 1370 |
| GN 2410-43-610 | 1115 |
| GN 2410-43-770 | 870 |
| GN 2410-43-930 | 714 |
GN 2402-43-370-...
Sarcină statică și deviație
Valorile de sarcină prevăzute în tabele se referă la forța maximă admisă, lăsată să acționeze la jumătatea șinei cu profil extins complet în cel de-al treilea segment.
Dacă se respectă valorile prevăzute și dacă glisiera liniară telescopică este extinsă complet, va surveni o mică deviație (deformare) la capătul ghidajului sau al șinei. Acest lucru nu are, de regulă, nici un efect negativ asupra funcționării normale a aplicației. Dacă este necesar, pot fi prezentate valorile de referință, dacă este cazul.
Șuruburi de montaj, atribuirea găurilor de montaj
Echipamentul standard de montaj cuprinde șuruburi cu cap înecat DIN 7991-10.9, destinate montajului cu un cuplu de strângere indicat. În funcție de model, nu pot fi utilizate toate găurile de montaj. De obicei, aceste găuri pot fi lăsate libere. În cazuri excepționale, mai ales în cursa bilaterală, găurile de montaj pot fi accesate prin slăbirea șuruburilor de susținere și prin extragerea ghidajului. Șuruburile de susținere sunt apoi puse la loc.
Viteză transversală, alunecare colivie
Viteza transversală a glisierelor liniare poate fi de cel mult 0.8 m/s. Utilizarea specifică și lungimea de montaj pot influența această valoare. În cazul modificărilor accelerate de direcție și forțelor de accelerare mari, poate surveni alunecarea coliviei în anumite situații, mai ales în cazul coliviilor lungi cu bilă. În cazuri similare, colivia nu se deplasează sincronizat cu viteza redusă a ghidajului, dar își pierde treptat poziția corectă, datorită alunecării. Ori de câte ori este posibil, ar trebui să fie prevăzută o cursă goală până la capătul cursei, pentru re-poziționare.
Solicitarea dvs. a fost trimisă și va primi răspuns cât mai repede posibil.